J45J型直流式襯膠截止閥的詳細資料:
J45J直流式襯膠截止閥概述: 截止閥是指關閉件(閥瓣)由閥桿帶動并沿閥座中心軸線做升降運動的閥門,在管路上主要用來接通或截止斷管路中的介質,但不能做節流用。
J45J直流式襯膠截止閥基本結構: 1、J45J直流式襯膠截止閥具有結構緊湊、啟閉靈活、耐腐蝕性能強,行程短(一般為公稱通徑1/4)等項優點,襯膠截止閥被廣泛應用在石油、化工等管路系統中做截斷介質用,但需要強調的是氟塑料襯里的截止閥嚴禁用做流量調節,以免節流口處產生的高速介質流沖蝕 破壞密封面。
2、閥瓣與閥桿設計為一體結構,用以防止由于管路壓力波動造成內件沖出閥體的可能性,結構緊湊,使用安全。
一、J45J型直流式襯膠截止閥性能規范:
設計與制造按:GB/12239 結構長度:GB/12221 法蘭連接尺寸按:GB4126.3 GB4216.4 試驗檢驗按:GB/T13927 |
一、性能規范
|
型號 |
公稱壓力PN(MPa) |
試驗壓力PS(MPa) |
適用介質 |
工作溫度(℃) |
|
殼體試驗 |
密封試驗 |
|
J45J/F46-6 |
0.6 |
0.9 |
0.66 |
W.非腐蝕性流體 J.一般腐蝕性流體 FS.強酸堿及各種有機溶劑(溶融堿金屬及元素氟除外) |
≤80 ≤150 |
|
J45J/F46-10 |
1.0 |
1.5 |
1.1 |
二、主要零部件材料表
|
零件名稱 |
閥體、閥瓣 |
閥蓋 |
閥桿、閥瓣 |
手輪廓 |
|
材料 |
HT200襯氟塑料、襯橡膠 |
HT200襯氟塑料、襯橡膠 |
35襯氟塑料襯橡膠 |
HT200 |
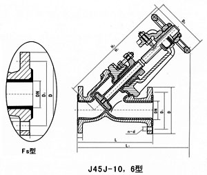
三、主要連接尺寸及重量
|
型號 |
公稱通徑DN(mm) |
尺寸(mm) |
質量(kg) |
|
L |
D |
D1 |
D |
H1 |
b |
Do |
n-d |
|
|
5 |
160 |
100 |
75 |
60 |
205 |
16 |
120 |
4-11 |
4.5 |
|
|
32 |
200 |
120 |
90 |
70 |
- |
16 |
160 |
4-13.5 |
13 |
|
|
|
|
130 |
100 |
80 |
250 |
16 |
160 |
4-13.5 |
14 |
|
|
50 |
230 |
140 |
110 |
90 |
290 |
16 |
160 |
4-13.5 |
16.5 |
|
|
65 |
290 |
160 |
130 |
100 |
310 |
16 |
180 |
4-13.5 |
|
|
|
80 |
310 |
190 |
150 |
125 |
358 |
18 |
200 |
4-17.5 |
36 |
|
|
|
|
210 |
170 |
145 |
428 |
18 |
200 |
4-17.5 |
50 |
|
|
125 |
400 |
240 |
200 |
175 |
510 |
20 |
280 |
8-17.5 |
68 |
|
|
150 |
480 |
265 |
225 |
200 |
550 |
20 |
280 |
8-17.5 |
90 |
|
|
200 |
600 |
30 |
280 |
255 |
635 |
22 |
400 |
8-17.5 |
146 |
|
|
250 |
730 |
375 |
335 |
312 |
|
24 |
|
12-.17.5 |
|