|
本公司設計Q41MF排污球閥是采用新型密封材料為閥座,經同類產品聚四氟乙烯做密封的球閥,使用壽命提高了3-5倍。具有性能穩定、密封可靠、磨擦力小、開關輕便、耐高溫、耐磨、耐油、耐腐蝕、使用壽命長等優點。球閥式排污閥與截止閥、柱塞閥、排污閥,結構長度相符,擴大了球閥使用范圍,廣泛用于石油、化工、橡膠、造紙、制藥等行業,可替代截止閥、柱塞閥、快速排污閥。適用介質:水、蒸汽、導熱油等酸類,使用溫度:≤350℃ Q41MF排污球閥結構特點及作用原理: Q41MF排污球閥的球體、密封圈采用了特殊的加工工藝和新密封材料,使球體表面粗糙度和圓度達到標準要求,從而提高了密封性能和使用壽命、耐高溫的能力。
一、PQ41F型排污球閥圖片說明:
二、PQ41F型排污球閥性能規范:
| |
公稱壓力 (Mpa) |
試驗壓力(Mpa) |
工作溫度 (℃) |
適用介質 |
| 強度(水) |
密封(水) |
氣密封 |
QP41M-1.6 |
1.6 |
2.4 |
1.8 |
0.6 |
≤250 |
蒸氣、氣 水、油品、煤氣、天 然氣、氨 堿、醋酸 銅、氨液 |
| QP41M-2.5 |
2.5 |
4.0 |
4.42.8 |
≤300 |
三、PQ41F型排污球閥主要零件材質:
零件 名稱 |
材料 |
| Q41M-1.6 |
|
| Q41M-2.5 |
| 閥體 |
HT200 |
QT450-10 |
| 柱塞 |
不銹鋼 |
| 閥桿 |
| 密封圈 |
碳石墨 |
| 扳手 |
QT450-10 |
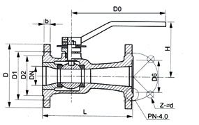
四、PQ41F型排污球閥主要外形尺寸和連接尺寸
| DN |
L |
D |
D1 |
D2 |
b |
Z-φd |
H |
D0 |
| 25 |
180 |
115 |
85 |
65 |
16 |
4-14 |
120 |
160 |
| 32 |
200 |
135 |
100 |
78 |
18 |
4-18 |
145 |
| 40 |
230 |
145 |
110 |
85 |
155 |
250 |
| 50 |
250 |
160 |
125 |
100 |
20 |
175 |
300 |
| 65 |
265 |
180 |
145 |
120 |
195 |
| 80 |
280 |
195 |
160 |
135 |
22 |
8-18 |
225 |
320 | |