產品展示
您現在的位置: 首頁--產品展示
產品描述
YQ98002過濾活塞式安全泄壓閥的詳細資料:
|
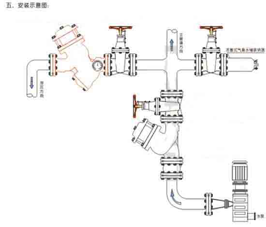
一、概述 YQ98002過濾活塞式安全泄壓閥安裝在高層建筑、消防給水系統以及其它給水系統的管道上,當給水管路中壓力超過泄壓閥設定壓力時,泄壓閥自動開啟快速泄壓,保護管線安全,也可作持壓閥用,保障主閥上游的供水壓力。正封閥門公司生產的YQ98002過濾活塞式安全泄壓閥能準確保持不變的安全設定壓力,一旦超壓,泄壓閥迅速打開,及時泄壓。YQ98002過濾活塞式安全泄壓閥,關閉平穩可靠,消除壓力余波。
主要零件材質如下表:
|
其他相關產品
|
|
|
| ||||||||








