產品展示
您現在的位置: 首頁--產品展示
產品描述
|
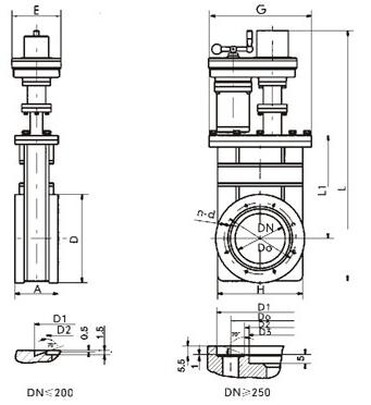
CCD型-電動超高真空插板閥: CCD型電動超高真空插板閥是通過電動裝置驅動閥桿帶動閥板作上下運動,達到閥門的開啟或關閉。閥門用于接通或切斷真空管路中的氣流。適用介質為純凈空氣和非腐蝕性氣體,帶反饋信號裝置。 CCD型-電動超高真空插板閥主要技術性能 CCD型-電動超高真空插板閥主要零件材料 CCD型-電動超高真空插板閥外形及連接尺寸mm |
其他相關產品
|
|
CCD型-電動超高真空插板閥: CCD型電動超高真空插板閥是通過電動裝置驅動閥桿帶動閥板作上下運動,達到閥門的開啟或關閉。閥門用于接通或切斷真空管路中的氣流。適用介質為純凈空氣和非腐蝕性氣體,帶反饋信號裝置。 CCD型-電動超高真空插板閥主要技術性能 CCD型-電動超高真空插板閥主要零件材料 CCD型-電動超高真空插板閥外形及連接尺寸mm |
|