|
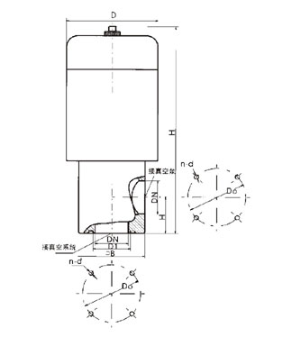
DDC-JQ型-電磁真空帶充氣閥: DDC-JQ型電磁真空帶充氣閥是機械真空泵安全閥,安裝于機械真空泵的進氣口,并與泵同步開啟和關閉。當泵停止工作或電源突然中斷時,閥門自動關閉。使真空系統保持真空并將大氣充入泵腔內,從而避免泵油逆向流動而污染真空系統。適用介質為純凈空氣和非腐蝕性氣體。 DDC-JQ型-電磁真空帶充氣閥主要技術性能 DDC-JQ型-電磁真空帶充氣閥主要零件材料
|
|
|
DDC-JQ型-電磁真空帶充氣閥: DDC-JQ型電磁真空帶充氣閥是機械真空泵安全閥,安裝于機械真空泵的進氣口,并與泵同步開啟和關閉。當泵停止工作或電源突然中斷時,閥門自動關閉。使真空系統保持真空并將大氣充入泵腔內,從而避免泵油逆向流動而污染真空系統。適用介質為純凈空氣和非腐蝕性氣體。 DDC-JQ型-電磁真空帶充氣閥主要技術性能 DDC-JQ型-電磁真空帶充氣閥主要零件材料
|
|