產品展示
您現在的位置: 首頁--產品展示
產品描述
|
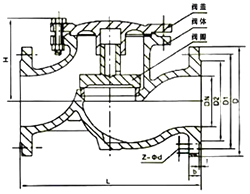
升降式止回閥是能自動阻止流體倒流的閥門。止回閥的閥瓣在流體壓力作用下開啟,流體從進口側流向出口側。當進口側壓力低于出口側時,閥瓣在流體壓差、本身重力等因素作用下自動關閉以防止流體倒流。升降式止回閥應用于工作溫度≤200℃的水、蒸汽介質的管路上,作防止介質逆流的單向啟閉用。 | ||||||||||||||||||||||||||||||||||||||||||||||||||||||||||||||||||||||||||||||||||||||||||||||||||||||||||||||||||||||||||||||||||||||||||||||||
![]() 一、性能規范
二、主要零件材料
三、外形尺寸和連接尺寸
| ||||||||||||||||||||||||||||||||||||||||||||||||||||||||||||||||||||||||||||||||||||||||||||||||||||||||||||||||||||||||||||||||||||||||||||||||
其他相關產品
|




